Turmaline m. hængslede døre og push glaslåg
Varenummer: Turmaline m. hængslede døre og
| Teknisk info | Turmaline m. hængslede døre og push glaslåg |
| Klimaklasse | 3L1 |
| Temperaturområde - °C | -15/-18°C |
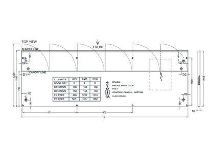
| Udv. mål - H x D | 2086 x 1187 mm |
| Køling | Ventileret |
| Afrimning | El-afrimning |
| Gavle | 50 mm Endegavl |
| Hylder | 3 hylder og bund |
| Døre | 1875 mm: 3 hængslede glasdøre 2500 mm: 4 hængslede glasdøre 3750 mm: 6 hængslede glasdøre |
| Låg | Montre: push glaslåg |
| Lys | LED belysning i døre LED belysning i montre |
| Modul type (L) | Total Display Area (M²) |
| 1875 mm | 2,24 |
| 2500 mm | 3,01 |
| 3750 mm | 4,55 |
| Modul type (EE) | Energy Efficiency label |
| 1875 mm |
|
| 2500 mm |
|
| 3750 mm |
|
Vi er klar til vejledning og bestilling
(+45) 56 16 10 20
Kontakt os Du kan altid kontakte os pr. mail.
Relaterede produkter